Applications:
10Gb/s 100km CWDM SFP+ Transceiver Hot Pluggable, Duplex LC, +3.3V, 1470~
1550nm,CWDM EML&APD, Single mode
RSPD-10GC100-XX
Features:
Description:
FIBERWDM's RSPD-10GC100-XX is a very compact 10Gb/s optical transceiver module for serial optical communication applications at 10Gb/s. The RSPD-10GC100-XX converts a 10Gb/s serial electrical data stream to 10Gb/s optical output signal and a 10Gb/s optical input signal to 10Gb/s serial electrical data streams. The high speed 10Gb/s electrical interface is fully compliant with SFI specification.
The high performance 1470~1550nm CWDM EML transmitter and high sensitivity APD receiver provide superior performance for Ethernet applications at up to 100km links.
The SFP+ Module compliants with SFF-8431, SFF-8432 and IEEE 802.3ae 10GBASE. Digital diagnostics functions are available via a 2-wire serial interface, as specified in SFF-8472.
The fully SFP compliant form factor provides hot pluggability, easy optical port upgrades and low EMI emission.
Absolute Maximum Ratings
| Parameter | Symbol | Min. | Typical | Max. | Unit |
| Storage Temperature | TS | -40 | +85 | °C | |
| Case Operating Temperature | TA | 0 | 70 | °C | |
| Maximum Supply Voltage | Vcc | -0.5 | 4 | V | |
| Relative Humidity | RH | 0 | 85 | % |
Electrical Characteristics (TOP = 0 to 70 °C, VCC = 3.135 to 3.465 Volts)
| Parameter | Symbol | Min. | Typical | Max. | Unit | Note |
| Supply Voltage | Vcc | 3.135 | 3.465 | V | ||
| Supply Current | Icc | 600 | mA | |||
| Power Consumption | P | 2 | w | |||
| Transmitter Section: | ||||||
| Input differential impedance | Rin | 100 | Ω | 1 | ||
| Tx Input Single Ended DC Voltage Tolerance (Ref VeeT) | V | -0.3 | 4 | V | ||
| Differential input voltage swing | Vin,pp | 180 | 700 | mV | 2 | |
| Transmit Disable Voltage | VD | 2 | Vcc | V | 3 | |
| Transmit Enable Voltage | VEN | Vee | Vee+0.8 | V | ||
| Receiver Section: | ||||||
| Single Ended Output Voltage Tolerance | V | -0.3 | 4 | V | ||
| Rx Output Diff Voltage | Vo | 300 | 850 | mV | ||
| Rx Output Rise and Fall Time | Tr/Tf | 30 | ps | 4 | ||
| LOS Fault | VLOS fault | 2 | VccHOST | V | 5 | |
| LOS Normal | VLOS norm | Vee | Vee+0.8 | V | 5 | |
Note:
1. Connected directly to TX data input pins. AC coupling from pins into laser driver IC.
2. Per SFF-8431 Rev 3.0
3. Into 100 ohms differential termination.
4. 20%~80%
5. LOS is an open collector output. Should be pulled up with 4.7k – 10kΩ on the host board. Normal operation is logic 0; loss of signal is logic 1. Maximum pull-up voltage is 5.5V.
Optical Parameters(TOP = 0 to 70°C, VCC = 3.135 to 3.465 Volts)
| Parameter | Symbol | Min. | Typical | Max. | Unit | Note |
| Transmitter Section: | ||||||
| Center Wavelength | λc | λ-6.5 | λ+6.5 | nm | ||
| spectral width | △λ | 1 | nm | |||
| Average Optical Power | Pavg | 0 | +5 | dBm | 1 | |
| Laser Off Power | Poff | -30 | dBm | |||
| Extinction Ratio | ER | 8.2 | dB | |||
| Transmitter Dispersion Penalty | TDP | 2.5 | dB | 2 | ||
| Relative Intensity Noise | Rin | -128 | dB/Hz | 3 | ||
| Optical Return Loss Tolerance | 20 | dB | ||||
| Receiver Section: | ||||||
| Center Wavelength | λr | 1260 | 1560 | nm | ||
| Receiver Sensitivity (OMA) | Sen | -24 | dBm | 4 | ||
| Stressed Sensitivity (OMA) | SenST | -21 | dBm | 4 | ||
| Los Assert | LOSA | -34 | dBm | |||
| Los Dessert | LOSD | -24 | dBm | |||
| Los Hysteresis | LOSH | 0.5 | dB | |||
| Overload | Sat | -7 | dBm | 5 | ||
| Receiver Reflectance | Rrx | -12 | dB | |||
Note:
1. Average power figures are informative only, per IEEE802.3ae.
2. TWDP figure requires the host board to be SFF-8431compliant. TWDP is calculated using the Matlab code provided in clause 68.6.6.2 of IEEE802.3ae.
3. 12dB reflection.
4. Conditions of stressed receiver tests per IEEE802.3ae. CSRS testing requires the host board to be SFF-8431 compliant.
5. Receiver overload specified in OMA and under the worst comprehensive stressed condition.
Timing Characteristics
| Parameter | Symbol | Min. | Typical | Max. | Unit |
| TX_Disable Assert Time | t_off | 10 | us | ||
| TX_Disable Negate Time | t_on | 1 | ms | ||
| Time to Initialize Include Reset of TX_FAULT | t_int | 300 | ms | ||
| TX_FAULT from Fault to Assertion | t_fault | 100 | us | ||
| TX_Disable Time to Start Reset | t_reset | 10 | us | ||
| Receiver Loss of Signal Assert Time | TA,RX_LOS | 100 | us | ||
| Receiver Loss of Signal Deassert Time | Td,RX_LOS | 100 | us | ||
| Rate-Select Chage Time | t_ratesel | 10 | us | ||
| Serial ID Clock Time | t_serial-clock | 100 | kHz |
Pin Assignment
Diagram of Host Board Connector Block Pin Numbers and Name

Pin Function Definitions
| PIN # | Name | Function | Notes |
| 1 | VeeT | Module transmitter ground | 1 |
| 2 | Tx Fault | Module transmitter fault | 2 |
| 3 | Tx Disable c | Transmitter Disable; Turns off transmitter laser output | 3 |
| 4 | SDL | 2 wire serial interface data input/output (SDA) | |
| 5 | SCL | 2 wire serial interface clock input (SCL) | |
| 6 | MOD-ABS | Module Absent, connect to VeeR or VeeT in the module | 2 |
| 7 | RS0 | Rate select0, optionally control SFP+ receiver. When high, input data rate >4.5Gb/ s; when low, input data rate <=4.5Gb/s | |
| 8 | LOS | Receiver Loss of Signal Indication | 4 |
| 9 | RS1 | Rate select0, optionally control SFP+ transmitter. When high, input data rate >4.5Gb/s; when low, input data rate <=4.5Gb/s | |
| 10 | VeeR | Module receiver ground | 1 |
| 11 | VeeR | Module receiver ground | 1 |
| 12 | RD- | Receiver inverted data out put | |
| 13 | RD+ | Receiver non-inverted data out put | |
| 14 | VeeR | Module receiver ground | 1 |
| 15 | VccR | Module receiver 3.3V supply | |
| 16 | VccT | Module transmitter 3.3V supply | |
| 17 | VeeT | Module transmitter ground | 1 |
| 18 | TD+ | Transmitter inverted data out put | |
| 19 | TD- | Transmitter non-inverted data out put | |
| 20 | VeeT | Module transmitter ground | 1 |
Note:
1. The module ground pins shall be isolated from the module case.
2. This pin is an open collector/drain output pin and shall be pulled up with 4.7K-10Kohms to Host_Vcc on the host board.
3. This pin shall be pulled up with 4.7K-10Kohms to VccT in the module.
4. This pin is an open collector/drain output pin and shall be pulled up with 4.7K-10Kohms to Host_Vcc on the host board.
SFP Module EEPROM Information and Management
The SFP modules implement the 2-wire serial communication protocol as defined in the SFP -8472. The serial ID information of the SFP modules and Digital Diagnostic Monitor parameters can be accessed through the I2C interface at address A0h and A2h. The memory is mapped in Table 1. Detailed ID information (A0h) is listed in Table 2. And the DDM specification at address A2h. For more details of the memory map and byte definitions, please refer to the SFF-8472, “Digital Diagnostic Monitoring Interface for Optical Transceivers”. The DDM parameters have been internally calibrated.
Table 1. Digital Diagnostic Memory Map (Specific Data Field Descriptions)

Table 2 - EEPROM Serial ID Memory Contents (A0h)
| Data Address |
Length (Byte) |
Name of length |
Description and Contents |
| Base ID Fields | |||
| 0 | 1 | Identifier | Type of Serial transceiver (03h=SFP) |
| 1 | 1 | Reserved | Extended identifier of type serial transceiver (04h) |
| 2 | 1 | Connector | Code of optical connector type (07=LC) |
| 3-10 | 8 | Transceiver | 10G Base |
| 11 | 1 | Encoding | 64B/66B |
| 12 | 1 | BR, Nominal | Nominal baud rate, unit of 100Mbps |
| 13-14 | 2 | Reserved | (0000h) |
| 15 | 1 | Length(9um) | Link length supported for 9/125um fiber, units of 100m |
| 16 | 1 | Length(50um) | Link length supported for 50/125um fiber, units of 10m |
| 17 | 1 | Length(62.5um) | Link length supported for 62.5/125um fiber, units of 10m |
| 18 | 1 | Length(Copper) | Link length supported for copper, units of meters |
| 19 | 1 | Reserved | |
| 20-35 | 16 | Vendor Name | SFP vendor name: FIBERWDM |
| 36 | 1 | Reserved | |
| 37-39 | 3 | Vendor OUI | SFP transceiver vendor OUI ID |
| 40-55 | 16 | Vendor PN | Part Number: “TSPLXGA0D-xx” (ASCII) |
| 56-59 | 4 | Vendor rev | Revision level for part number |
| 60-62 | 3 | Reserved | |
| 63 | 1 | CCID | Least significant byte of sum of data in address 0-62 |
| Extended ID Fields | |||
| 64-65 | 2 | Option |
Indicates which optical SFP signals are implemented (001Ah = LOS, TX_FAULT, TX_DISABLE all supported) |
| 66 | 1 | BR, max | Upper bit rate margin, units of % |
| 67 | 1 | BR, min | Lower bit rate margin, units of % |
| 68-83 | 16 | Vendor SN | Serial number (ASCII) |
| 84-91 | 8 | Date code | TIBTRONIX’s Manufacturing date code |
| 92-94 | 3 | Reserved | |
| 95 | 1 | CCEX | Check code for the extended ID Fields (addresses 64 to 94) |
| Vendor Specific ID Fields | |||
| 96-127 | 32 | Readable | TIBTRONIX specific date, read only |
| 128-255 | 128 | Reserved | Reserved for SFF-8079 |
Digital Diagnostic Monitor Characteristics
| Data Address | Parameter | Accuracy | Unit |
| 96-97 | Transceiver Internal Temperature | ±3.0 | °C |
| 100-101 | Laser Bias Current | ±3.0 | % |
| 100-101 | Tx Output Power | ±3.0 | dBm |
| 100-101 | Rx Input Power | ±3.0 | dBm |
| 100-101 | VCC3 Internal Supply Voltage | ±3.0 | % |
Regulatory Compliance
The RSPD-10GC100-XX complies with international Electromagnetic Compatibility (EMC) and international safety requirements and standards (see details in Table following).
|
Electrostatic Discharge (ESD) to the Electrical Pins |
MIL-STD-883E Method 3015.7 |
Class 1(>1000 V) |
|
Electrostatic Discharge (ESD) to the Duplex LC Receptacle |
IEC 61000-4-2 GR-1089-CORE |
Compatible with standards |
|
Electromagnetic Interference (EMI) |
FCC Part 15 Class B EN55022 Class B (CISPR 22B) VCCI Class B |
Compatible with standards |
| Laser Eye Safety |
FDA 21CFR 1040.10 and 1040.11 EN60950, EN (IEC) 60825-1,2 |
Compatible with Class 1 laser product. |
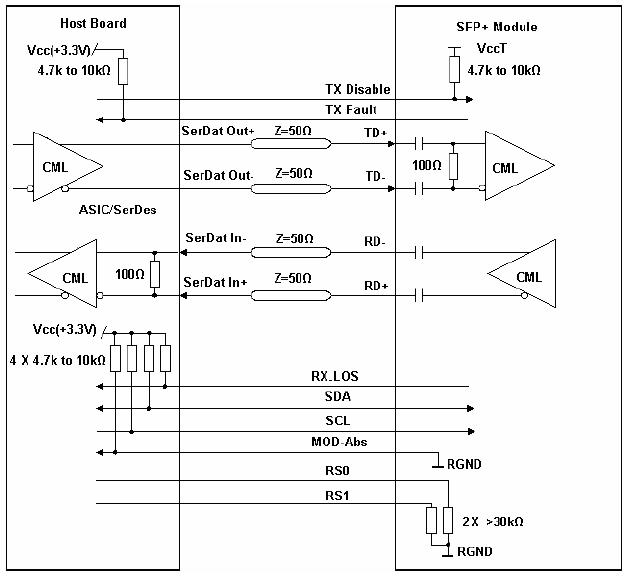
Recommended Circuit

Recommended Host Board Power Supply Circuit

Recommended High-speed Interface Circuit
Mechanical Dimensions

Order Information:
| Part Number | Product Description |
| RSPD-10GC100-47 | SFP+, 1470nm CWDM, 10Gbps, LC, 100km, 0°C~+70°C, with DDM |
| RSPD-10GC100-49 | SFP+, 1490nm CWDM, 10Gbps, LC, 100km, 0°C~+70°C, with DDM |
| RSPD-10GC100-51 | SFP+, 1510nm CWDM, 10Gbps, LC, 100km, 0°C~+70°C, with DDM |
| RSPD-10GC100-53 | SFP+, 1530nm CWDM, 10Gbps, LC, 100km, 0°C~+70°C, with DDM |
| RSPD-10GC100-55 | SFP+, 1550nm CWDM, 10Gbps, LC, 100km, 0°C~+70°C, with DDM |
| RSPD-10GC100-57 | SFP+, 1570nm CWDM, 10Gbps, LC, 100km, 0°C~+70°C, with DDM |
| RSPD-10GC100-59 | SFP+, 1590nm CWDM, 10Gbps, LC, 100km, 0°C~+70°C, with DDM |
| RSPD-10GC100-61 | SFP+, 1610nm CWDM, 10Gbps, LC, 100km, 0°C~+70°C, with DDM |
FIBERWDM reserves the right to make changes to the products or information contained herein without notice. No liability is assumed as a result of their use or application. No rights under any patent accompany the sale of any such products or information.
Published by FIBERWDM.
Copyright © FIBERWDM
All Rights Reserved
Want to know about this product?
If you are interested in our products and want to know more details,please leave a message here,we will reply you as soon as we can.