This series of detectors has basically the same usage method as the unit detectors of Thorlabs and Newport, and their power interfaces are completely identical. When the Monitor output (available on some products of Thorlabs and Newport) is not required and the bandwidth is the same, it can be directly replaced, and its performance in all aspects is not inferior to that of similar products from Thorlabs and Newport. In addition to detectors with existing specifications, customized services are also provided. We can adjust various indicators of the detector (such as supply voltage, gain, bandwidth, etc.) according to customer needs to meet customer requirements.
Amplified Photoreceiver
PDA1000-2 Dual-Channel 10KHz Unit Detector
User Instructions
Appearance and Interface Description
The appearance of the module is shown in the figure below:

Figure 2-1 Detector Module Appearance Diagram
Among them, the left interface is the optical input interface (FC), the upper right is the power input interface (M8), and the lower right is the signal output interface (SMA).
The customized matching power cord is shown in the figure below:

Figure 2-2 Matching Power Cord
The left end in the picture is the connection end with the detector module, which is affixed with a label indicating the connection method of the three power cords on the right. The wire is made of PVC, with a maximum current of 3A and a wire diameter of 24AWG. Its pin definition is completely consistent with that of the power cords of the detector modules of Thorlabs and Newport, and can be used interchangeably.
Electrical Instructions
1. Dual-power supply products: ±12V (brown-red: +12V, black wire: GND, blue wire: -12V). For products with a bandwidth of 300MHz and below, the minimum power supply voltage can be as low as ±8V, and the maximum should not exceed ±15V (if there is any inconsistency between the detector label and this instruction, this instruction shall prevail). For products with a bandwidth above 1GHz, the supply voltage shall not exceed ±12V. In addition, the Honghai switching power supply module JMD10-D12 can be purchased as the test power supply module. This module can ensure the performance of the detector when used indoors; for outdoor use, please evaluate it yourself. The current of the detector module during normal operation is less than 100mA. Laboratory users can try our linear power supply.
Single-power supply products: 5V-12V (brown-red: +12V, black wire: GND, blue wire: floating). The current of the detector module during normal operation is less than 100mA.
2. Output interface: SMA (female connector);
3. Output impedance: 50ohm;
4. Maximum output voltage:
Products below 500MHz: ±3.6V (@High Z), ±1.8V (@50ohm);
Products with 1GHz (inclusive) and above: ±1V (@50ohm).
5. Spectral response range: 900nm-1700nm;
6. Detector responsivity: >0.95A/W@1550nm;
7. The optical input amplitude shall not exceed the saturation optical power (Saturation Power).
Performance Parameters
Performance Test Instructions:
1. Due to the different FC connector conditions of the test light source, the insertion loss of each detector is inconsistent, and the test results of the detector response will be slightly different;
2. The transimpedance gain of the detector is calculated when the output load is high impedance. If the output load is 50Ω, the gain will be reduced to half of the nominal value;
3. The measurement results of detector noise and rise time are obtained under the following conditions:
a: Oscilloscope input impedance is 50Ω;
b: Oscilloscope bandwidth is full bandwidth (≥1GHz);
c: Oscilloscope time division is set to 100ns/div (Note: The noise will vary greatly with different time divisions);
4. Test room temperature: 23℃±5℃;
5. Test relative humidity: 35%±15%;
6. Test working voltage: ±12V;
Typical Test Parameters of Unit Detector (PDA1055H)
| Model | PDA1000-2 |
| Wavelength Range | 900-1700nm |
| 3-dB Bandwidth | 10 kHz |
| Conversion Gain | 2.5x106V/A |
| Overall output voltage noise | 1.3mVRMS |
| Saturation Power | 4.8uW |
| Typical Max. Responsivity | 1A/W @1550nm |
| Output Impedance | 50Ω |
| Maxim Output | 1.0V@50Ω |
| Incident Power (Max) | 5mW |
| Detector Material/Type | InGaAs/PIN |
| Detector Diameter | 75μm |
| Optical Input | FC/PC or FC/APC or Free Space |
| Electrical Output | SMA |
| Package Dimension | 60mm×58mm×24mm |
| Power Supply Requirement | ±12 V, 50 mA |
Figure 3-1 Summary of Electrical Performance

Figure 3-2 Time-domain Noise Level (Blue and red lines are the noise of the two channels respectively)

Figure 3-3 Input Optical Pulse Response
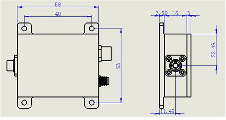
Mechanical Dimensions

Figure 4-1 Mechanical Dimension Diagram of Unit Detector Module
Unit: mm
Want to know about this product?
If you are interested in our products and want to know more details,please leave a message here,we will reply you as soon as we can.