Applications:
1.25Gb/s 80km DWDM SFP Transceiver
Hot Pluggable, Duplex LC, +3.3V, 100GHz, DWDM COOLED DFB&PIN, Single mode

Features:
Description:
FIBERWDM's RSPD-03D80-Cxx is a very compact 1.25Gb/s optical transceiver module for serial optical communication applications at 1.25Gb/s. The RSPD-03D80-Cxx converts a 1.25Gb/s serial electrical data stream to 2.67Gb/s optical output signal and a 1.25Gb/s optical input signal to 1.25Gb/s serial electrical data streams. The high speed 2.67Gb/s electrical interface is fully compliant with SFI specification.
The high performance DWDM COOLED DFB transmitter and high sensitivity PINTIA receiver provide superior performance for Ethernet applications at up to 80km links.
The SFP Module compliants with SFF-8431, SFF-8432 Digital diagnostics functions are available via a 2-wire serial interface, as specified in SFF-8472.
The fully SFP compliant form factor provides hot pluggability, easy optical port upgrades and low EMI emission.
Absolute Maximum Ratings
| Parameter | Symbol | Min. | Typical | Max. | Unit |
| Storage Temperature | TS | -40 | +85 | °C | |
| Case Operating Temperature | TA | 0 | 70 | °C | |
| Maximum Supply Voltage | Vcc | -0.5 | 4 | V | |
| Relative Humidity | RH | 0 | 85 | % |
Electrical Characteristics (TOP = 0 to 70 °C, VCC = 3.135 to 3.465 Volts)

Note:
1. Connected directly to TX data input pins. AC coupling from pins into laser driver IC.
2. Per SFF-8431 Rev 3.0
3. Into 100 ohms differential termination.
4. 20%~80%
5. LOS is an open collector output. Should be pulled up with 4.7k – 10kΩ on the host board. Normal operation is logic 0; loss of signal is logic 1. Maximum pull-up voltage is 5.5V.
Optical Parameters(TOP = 0 to 70°C, VCC = 3.135 to 3.465 Volts)

Note:
1. Average power figures are informative only Fibre channel
2. 12dB reflection.
3. Receiver overload specified in OMA and under the worst comprehensive stressed condition.
Timing Characteristics

Pin Assignment
Diagram of Host Board Connector Block Pin Numbers and Name

Pin Function Definitions

Note:
1. The module ground pins shall be isolated from the module case.
2. This pin is an open collector/drain output pin and shall be pulled up with 4.7K-10Kohms to Host_Vcc on the host board.
3. This pin shall be pulled up with 4.7K-10Kohms to VccT in the module.
4. This pin is an open collector/drain output pin and shall be pulled up with 4.7K-10Kohms to Host_Vcc on the host board.
SFP Module EEPROM Information and Management
The SFP modules implement the 2-wire serial communication protocol as defined in the SFP -8472. The serial ID information of the SFP modules and Digital Diagnostic Monitor parameters can be accessed through the I2C interface at address A0h and A2h. The memory is mapped in Table 1. Detailed ID information (A0h) is listed in Table 2. And the DDM specification at address A2h. For more details of the memory map and byte definitions, please refer to the SFF-8472, “Digital Diagnostic Monitoring Interface for Optical Transceivers”. The DDM parameters have been internally calibrated.
Table 1. Digital Diagnostic Memory Map (Specific Data Field Descriptions)

Table 2 - EEPROM Serial ID Memory Contents (A0h)

Digital Diagnostic Monitor Characteristics

Regulatory Compliance
The RSPD-03D80-Cxx complies with international Electromagnetic Compatibility (EMC) and international safety requirements and standards (see details in Table following).

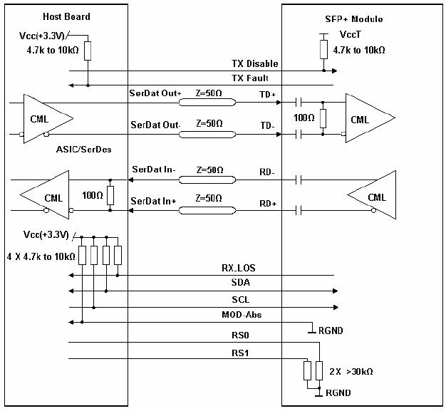
Recommended Circuit

Recommended Host Board Power Supply Circuit

Recommended High-speed Interface Circuit
Mechanical Dimensions

Order Information:


Want to know about this product?
If you are interested in our products and want to know more details,please leave a message here,we will reply you as soon as we can.