The M1x16 optical switch is connected to the optical path by connecting or blocking the optical signal. the switch has non-mechanical configurations and activated via an electrical control signal. the switch also has build-in circulator and isolator functions. Products are widely used in aerospace and military equipment.
M1x16 Magnet Fiber Optical Switch
|
Features
|
Applications
|
Performance Specifications
|
Parameters |
Unit |
Specifications |
|
Wavelength Range |
nm |
1520 ~ 1580 |
|
Test Wavelength |
nm | 1550 |
|
Insertion Loss 1, 2 |
dB |
≤ 2.0 |
|
TDL |
dB |
≤0.30 |
|
PDL |
dB |
≤0.20 |
|
Return Loss |
dB |
≥ 50 |
|
Crosstalk |
dB |
Bidirectional ≥ 20 Unidirectional ≥ 40 |
|
Repeatability |
dB |
≤±0.01 |
|
Switching Time |
us |
≤100 |
|
Pulse Duration |
us |
≥200 |
|
Durability |
Cycles |
≥10 Billions |
|
Switch Type |
NA |
Latching |
|
Operating Current |
mA |
≤200 |
|
Maximum Optical Power |
mW |
≤500 |
|
Operating Temperature |
℃ |
-5 ~ +70 |
|
Storage Temperature |
℃ |
-40 ~ +85 |
|
Dimension |
mm |
(L)40.0×(W)67×(H)7.5 ±0.2 |
|
Note: 1 Test at room temperature and SOP. 2 Excluding connectors, 0.2dB for one pair connectors. |
||
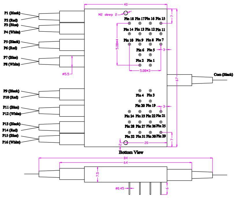
Mechanical Dimensions (Unit:mm)

Electrical Drive

Functional Diagram


Ordering Information
FSW-M1x16-□-□-□-□-□-□-□

Want to know about this product?
If you are interested in our products and want to know more details,please leave a message here,we will reply you as soon as we can.