The HSPD4040 high-speed detector module is designed for both digital and analog applications. The module contains an InGaAs PIN photodiode which response wavelength covers 1250 to 1650 nm and necessary matching electronics.
HSPD4040 can provide the bandwidth upto 40GHz . The module operates on +5V. It complies with a standard single-mode 9/125μm fiber input. The RF output port is a 2.92 mm connector matched by 50 ohm impedance . HSPD4040 is hermetically sealed, and weighs less than 20 grams. ROHS 2.0 certificated .
40G High Speed InGaAs Photodetector
|
Features
|
Applications
|
Product Selection
|
Typical & Absolute Maximum Rating |
||||
|
Parameter |
Sym. |
Typ |
Rating |
Unit |
|
Storage temperature range |
TSTG |
-45 ~ +85 |
-55 ~ +85 |
℃ |
|
Operating case temperature range |
TC |
25 |
-40 ~ +85 |
℃ |
|
Bias Voltage |
VR |
5 |
5 ~ 6 |
V |
|
Optical Input Power |
Pin |
+3 |
+10 |
mW |
|
Burn-out Optical Power |
PB |
- | +15 |
mW |
|
Lead soldering temperature |
Tp |
280(10s) |
330(10s) |
℃ |
|
Optical and Electrical Specification |
||||||
|
Parameter |
Symbol |
Min |
Typ |
Max |
Units |
Note |
|
Response Spectrum |
λ |
1000 |
1650 |
nm |
||
|
Small Signal Bandwidth |
-3dB |
35 |
40 |
GHz |
||
|
Max Input optical Power |
Pm |
|
13 |
mW |
2,3 |
|
|
Responsivity |
R |
0.75 |
0.85 |
A/W |
1 | |
|
Amplitude Flatness |
A |
±2 |
dB |
|||
|
Bias Voltage for PD |
Vpd |
5 | 6 |
V |
3 | |
|
Output VSWR |
VSWR |
2.5 | 3 | |||
|
Saturation RF Output Power |
Pout |
-10 |
dBm |
|||
|
Dark current |
Id |
1 | 40 |
nA |
||
|
Output Impedance |
RL |
50 |
Ω |
|||
Note
1. λ=1310nm, 1550nm
2. 2. 25° C normal bias
3. Exposure to absolute maximun ratings can adversely affect device reliability or cause permanent damage.
Typical Response Curves

Fig.1 40G Photodetector Frequency Response
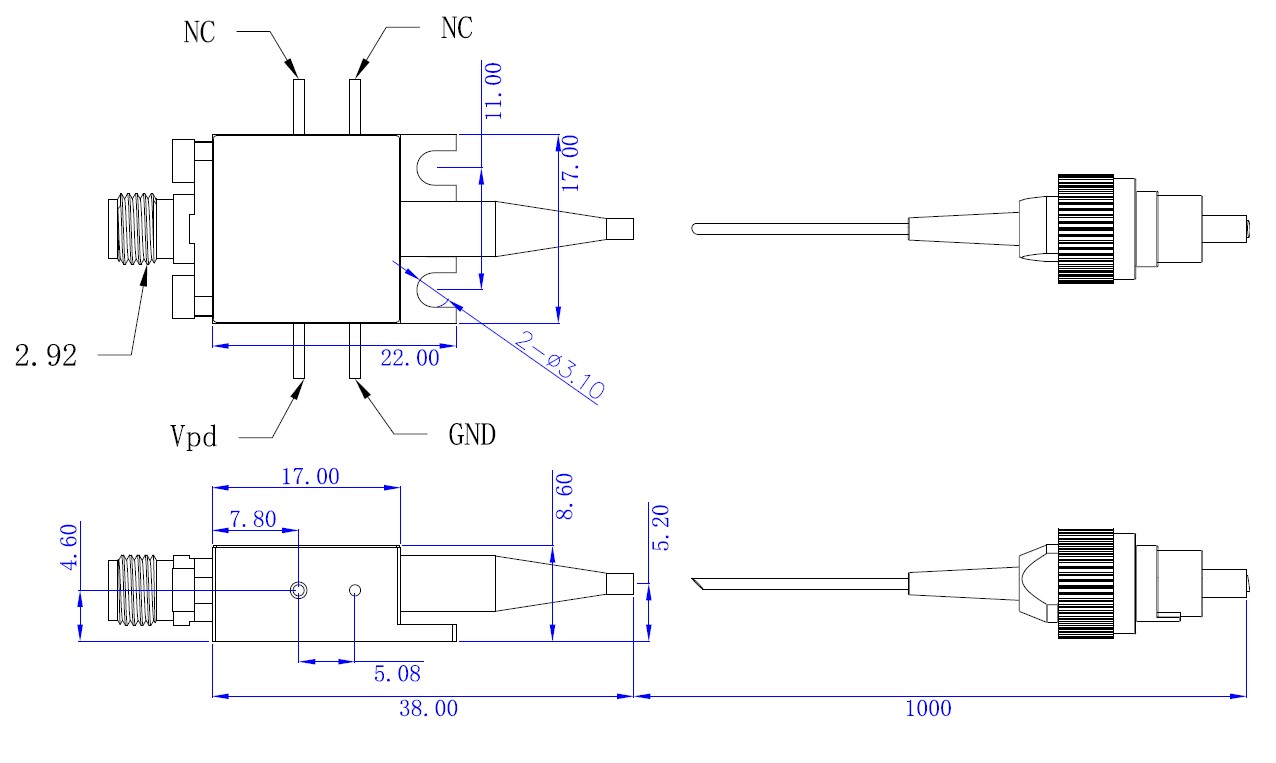
Dimension and Pins (Unit: mm)

Ordering Information
|
Part number |
Note |
|
HSPD4040 |
40 GHz PD receiver with SM FC/APC fiber connector |
Precautions
The fiber bending radius no less than 20mm for avoiding fiber damaged .
Be sure the fiber coupling facet is clean before connecting it to opto-circuit .
The suitable ESD protection is required in storage, transportation and using .
Want to know about this product?
If you are interested in our products and want to know more details,please leave a message here,we will reply you as soon as we can.